Network Surveillance Camera Lenses
-
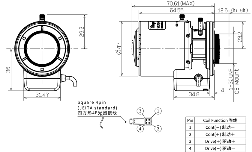
M13VG2713IR
-
2022.09
2050.01
Imager Size Focal Length Aperture Range Iris -
| Model No. | M13VG27131R | ||
|---|---|---|---|
| Imager Size | 1/2.7" | ||
| Mount Type | CS | ||
| Focal Length | 2.7 - 13mm | ||
| Aperture Range | F/1.4 - F/360 | ||
| Field of View Angle (Horizontal x Vertical) |
1/2.7" | Wide | 125.1° x 66.1° |
| Tele | 26.7° x 15.2° | ||
| 1/3" | Wide | 101.1° x 73.9° | |
| Tele | 22.3° x 16.8° | ||
| Focusing Range | 0.3m - ∞ | ||
| Operation | Focus | Manual w/lock | |
| Zoom | Manual w/lock | ||
| Iris | DC Auto IRIS | ||
| Back Focal Distance | 8.42 mm (in air) | ||
| Wave Length | Visible Light - Near Infrared | ||
| Operating Voltage | OPEN : 4V CLOSE : 0.5V |
||
| Weight | 90g ± 5g | ||
| Operating Temperature | -20°C - +60°C | ||
* Specificotions subjected to change without ony notice.