FA/マシンビジョンレンズ
-
MA111F16VIR
-
NEW
-
2022.12
2050.01
イメージャーサイズ 焦点距離 絞り範囲 アイリス -
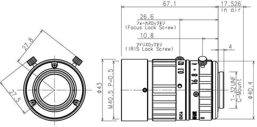
| モデル名 | MA111F16VIR | ||
|---|---|---|---|
| イメージャーサイズ | 1.1" | ||
| マウント | C | ||
| 焦点距離 | 16mm | ||
| アイリス範囲 | F/2.8 ~ F/16 | ||
| 画角 (水平x垂直) |
1.1" | 47.7° x 36.8° | |
| 2/3" | 30.8° x 23.3° | ||
| 1/2" | 22.6° x 17.0° | ||
| フォーカス範囲 | 0.1m ~ ∞ | ||
| 操作方法 | フォーカス | 手動ロック付き | |
| アイリス | 手動ロック付き | ||
| フィルターネジ径 | M40.5 P=0.5 | ||
| 対応波長 | 可視光域 ~ 近赤外域 | ||
| 歪曲 | 0.2% (*) | ||
| 質量 | 178g | ||
| 動作温度範囲 | -20℃ ~ +60℃ | ||
*設計値/Design Value
※ 仕様はお断りなく変更する場合があります。