監視カメラ用レンズ
-
M13VG2813IR
-
2022.09
2050.01
イメージャーサイズ 焦点距離 絞り範囲 アイリス -
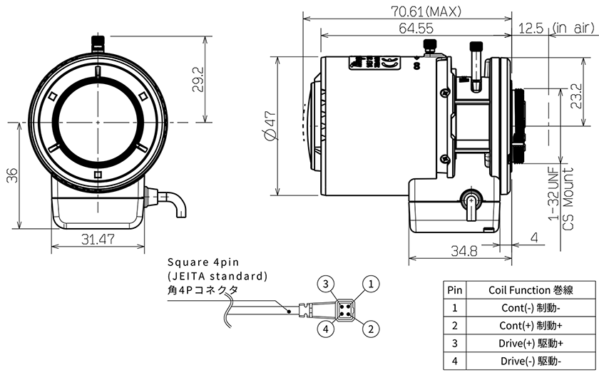
| モデル名 | M13VG2813IR | ||
|---|---|---|---|
| イメージャーサイズ | 1/2.7" | ||
| マウント | CS | ||
| 焦点距離 | 2.8 ~ 13mm | ||
| 絞り範囲 | F/1.4 ~ 360 | ||
| 画角 (水平x垂直) |
1/2.7" | Wide | 124.3° x 66.1° |
| Tele | 26.7° x 15.2° | ||
| 1/3" | Wide | 101.1° x 73.9° | |
| Tele | 22.3° x 16.8° | ||
| フォーカス範囲 | 0.3m ~ ∞ | ||
| 操作方法 | フォーカス | 手動ロック付き | |
| ズーム | 手動ロック付き | ||
| アイリス | DCオートアイリス | ||
| バックフォーカス | 8.42mm( in air ) | ||
| 対応波長 | 可視光域 ~ 近赤外域 | ||
| 作動電圧 | OPEN : 4V CLOSE : 0.5V |
||
| 質量 | 90g ± 5g | ||
| 動作温度範囲 | -20℃ ~ +60℃ | ||
※ 仕様はお断りなく変更する場合があります。